分類

特 點 Features
● 結構緊湊,體積小,性價比高。
Compact structure, small size, high cost performance.
● 漏電流小,底板式安裝,簡單方便。Small leakage current,
floor type installation, simple and convenient.
● 良好的共模和差模干擾衰減性能。Good common mode and
differential mode interference attenuation performance.
● 星型電路和三角形電路均可適用。
Both star circuit and triangle circuit can be used.
應 用 Application
● 工業(yè)自動化。Industrial automation.
● 醫(yī)療設備。Medical equipment.
● 抑制沿電源線傳輸?shù)墓I(yè)無線電干擾。Suppress industrial radio interference transmitted along the power line.
性能指標 Characteristcs
額定電壓Rated voltage | 440/250VAC |
工作頻率 Operating Frequency | DC~60Hz |
額定電流Rated curren | 5~600A@40℃max. |
耐壓試驗 (60s) Test Voltage | 1500VDC(線-線Line - line) 2250VDC(線-地Line - ground) |
氣候類別 Climate category | 40/100/21 |
產品型號表 Filter Table
型號 model | 接線方式:輸入輸出 | 額定電流A Rated curren | 接地電容量nF Grounding capacity | 放電電阻KΩ resistance | 電路圖Fig. Circuit diagram | 外形尺寸Fig. Outline Drawing | |||
|
|
|
| ||||||
YX-411-5- | TT | WW | 5 | 6.8 | 1 | 1/2 | |||
YX-411-10- | TT | WW | 10 | 6.8 | 1 | 1/2 | |||
YX-411-16- | SS | 16 | 6.8 | 2 | 3 | ||||
YX-411-20- | SS | 20 | 6.8 | 2 | 3 | ||||
YX-411-25- | SS | 25 | 6.8 | 2 | 3 | ||||
YX-411-30- | SS | 30 | 6.8 | 2 | 3 | ||||
YX-411-50- | SS | 50 | 10 | 1000 | 2 | 4 | |||
YX-411-80- | SS | 80 | 10 | 680 | 2 | 5 | |||
YX-411-100- | SS | 100 | 13.6 | 440 | 2 | 6 | |||
YX-411-150- | SS | 150 | 200 | 440 | 2 | 5 | |||
YX-411-200- | SS | 200 | 200 | 680 | 3 | 5 | |||
YX-412-300- | BB | 300 | 690 | 680 | 4 | 7 | |||
YX-412-600- | BB | 600 | 690 | 680 | 4 | 8 | |||
電原理圖Typical Circuit Diagram

Fig.1 Fig.2

Fig.3 Fig.4
插入損耗 Insertion LOSS in dB (50Ω測量系統(tǒng),IEC/CISPR No.17號出版物)

5A 10A 16A~25A

30A 50A 80A


100A 200A 300A~600A
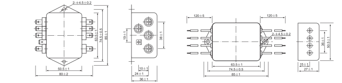
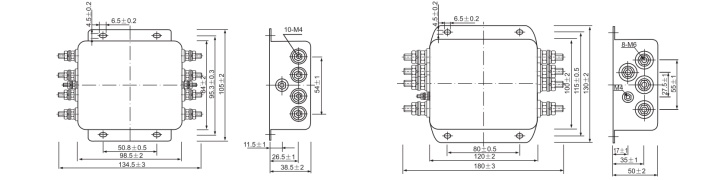
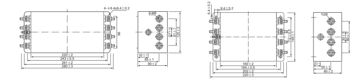
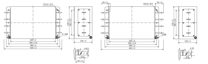
外形尺寸圖 Outline Drawing : mm

Fig.1 (5~10A) Fig.2 (5~10A)

Fig.3 (16A~30A) Fig.4 (50A)

Fig.5 (80A) Fig.6 (100A)

Fig.7 (300A) Fig.8 (600A)
CopyRight ? 2025 常州市宇軒電子有限公司 版權所有 蘇ICP備2022034447號-1 網(wǎng)站地圖 所有標簽 免責聲明 中環(huán)互聯(lián)網(wǎng)常州網(wǎng)站建設