分類

特 點 Features
● dv/dt抑制restrain。
● 過電壓限制。Overvoltage limit.
● 減少變頻器電磁干擾。Reduce electromagnetic
interference of frequency converter.
應 用 Application
● 變頻器、UPS等交直流設備的輸出濾波。
Inverter, ups and other AC and DC equipment output filtering.
● 減小變頻器及馬達線圈損耗。
Reduce the loss of inverter and motor coil.
性能指標 Characteristcs
額定電壓Rated voltage | 480/275VAC | |
工作頻率 Operating Frequency | DC~120Hz | |
開關頻率 switching frequency | ≤60KHz | |
額定電流Rated curren | 5~200A@40℃max. | |
耐壓試驗 (60s) Test Voltage | 1500VDC(線-線Line - line) 2250VDC(線-地Line - ground) 3000VDC/2S | |
氣候類別 Climate category | 40/100/21 | |
產品型號表 Filter Table
型號 model | 接線方式:輸入輸出 | 額定電流A Rated curren | 電路圖Fig. Circuit diagram | 外形尺寸Fig. Outline Drawing | ||
|
|
| ||||
YX-333-5- | TT | 5 | 1 | 1 | ||
YX-333-10- | SS | 10 | 1 | 2 | ||
YX-333-16- | SS | 16 | 1 | 2 | ||
YX-333-20- | SS | 20 | 1 | 2 | ||
YX-333-25- | SS | 25 | 1 | 2 | ||
YX-333-35- | SS | 35 | 1 | 2 | ||
YX-333-50- | SS | 50 | 1 | 3 | ||
YX-333-65- | SS | 65 | 1 | 3 | ||
YX-333-80- | SS | 80 | 1 | 4 | ||
YX-333-100- | SS | 100 | 1 | 4 | ||
YX-333-130- | SS | 130 | 1 | 4 | ||
YX-333-160- | SS | 160 | 1 | 4 | ||
YX-333-200- | SS | 200 | 1 | 4 | ||
電原理圖Typical Circuit Diagram

Fig.1
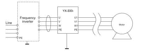
接線圖Connection Diagram

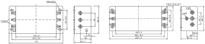
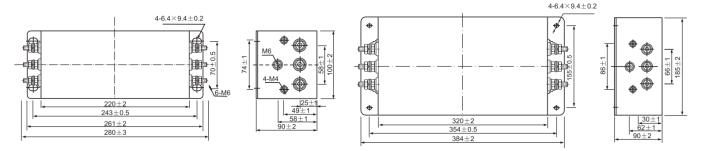
外形尺寸圖 Outline Drawing : mm

Fig.1 (5A) Fig.2 (10A~35A)

Fig.3 (50A~65A) Fig.4 (80A~200A)
CopyRight ? 2025 常州市宇軒電子有限公司 版權所有 蘇ICP備2022034447號-1 網站地圖 所有標簽 免責聲明 中環互聯網常州網站建設