分類

特 點 Features
● 工業逆變器和電機驅動的EMC解決方案。
EMC solutions for industrial inverters and motor drives.
● 漏電流小,底板式安裝,簡單方便。Small leakage current,
floor type installation, simple and convenient.
● 良好的共模和差模干擾衰減性能。Good common mode and
differential mode interference attenuation performance.
● 結構緊湊,體積小,性價比高。Compact structure, small size,
high cost performance.
應 用 Application
● 三相電機驅動。Three phase motor drive.
● 工業自動化。Industrial automation.
● 不間斷電源。UPS
●開關模式電源。SMPS
性能指標 Characteristcs
額定電壓Rated voltage | 440/250VAC |
工作頻率 Operating Frequency | DC~60Hz |
額定電流Rated curren | 5~200A@40℃max. |
耐壓試驗 (60s) Test Voltage | 1500VDC(線-線Line - line) 2250VDC(線-地Line - ground) 3000VDC/2S |
氣候類別 Climate category | 40/100/21 |
產品型號表 Filter Table
型號 model | 接線方式:輸入輸出 | 額定電流A Rated curren | 接地電容量nF Grounding capacity | MAX泄漏電流 * leakage current 440VAC/50Hz | 電路圖Fig. Circuit diagram | 外形尺寸Fig. Outline Drawing | ||
|
| ![]() | ||||||
YX-322-5- | TT | 5 | 22 | <1mA | 1 | 1 | ||
YX-322-10- | TT | 10 | 22 | <1mA | 1 | 1 | ||
YX-322-16- | TT | 16 | 22 | <1mA | 1 | 1 | ||
YX-322-20- | TT | 20 | 50 | <2mA | 1 | 2 | ||
YX-322-25- | SS | 25 | 50 | <2mA | 1 | 2 | ||
YX-322-35- | SS | 35 | 50 | <2mA | 1 | 3 | ||
YX-322-50- | SS | 50 | 50 | <2mA | 1 | 3 | ||
YX-322-65- | SS | 65 | 50 | <2mA | 1 | 3 | ||
YX-322-80- | SS | 80 | 50 | <4mA | 2 | 4 | ||
YX-322-100- | SS | 100 | 50 | <4mA | 2 | 4 | ||
YX-322-130- | SS | 130 | 50 | <4mA | 2 | 4 | ||
YX-322-160- | SS | 160 | 50 | <4mA | 2 | 4 | ||
YX-322-200- | SS | 200 | 50 | <4mA | 2 | 5 | ||
*注意:如果在缺兩相這種蕞壞的狀況下,其漏電流將比正常狀態高7.7倍左右 Note: in the worst case of lack of two phases, the leakage current will be about 7.7 times higher than the normal state | ||||||||
電原理圖Typical Circuit Diagram

Fig.1 Fig.2
插入損耗 Insertion LOSS in dB (50Ω測量系統,IEC/CISPR No.17號出版物)

5A 10A 16A

20A 25A 35A

50A 65A 80A


100A 130A 160A~200A
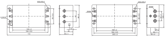
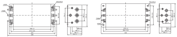
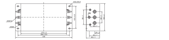
外形尺寸圖 Outline Drawing : mm

Fig.1 (5A~16A) Fig.2 (20A~25A)

Fig.3 (35A~65A) Fig.4 (80A~160A)

Fig.5 (200A)
CopyRight ? 2025 常州市宇軒電子有限公司 版權所有 蘇ICP備2022034447號-1 網站地圖 所有標簽 免責聲明 中環互聯網常州網站建設